Funktionsweise

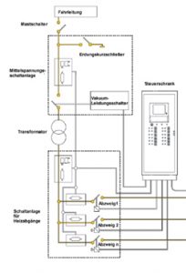
Die für die Versorgung notwendige Energie wird entweder aus dem Fahrleitungsnetz (11 kV, 15 kV oder 25 kV) oder bei nicht elektrifizierten Strecken aus dem Landesnetz der EVU’s (10 kV bzw. 20 kV) entnommen.

Um die Energie auf die erforderliche Versorgungsspannung (330 VAC, 1000 VAC, 1500 VAC) zu transformieren, wird die Energie über eine Mittelspannungsschaltanlage mit

Vakuumleistungsschalter auf Transformatoren geführt. Verteilungsanlagen liefern die transformierte Spannung mittels Leistungsschütze über Kabel an die Sollbruchstellen. Von der Sollbruchstelle wird die Energie mit einer schweren Gummischlauchleitung über einen RIC-Stecker in die Wagengarnitur eingespeist.

Die Bedienung am Gleis erfolgt an einer Steuersäule, an welcher der Bediener die gewünschte Betriebsart wählt und an der eingebauten mikroprozessorgesteuerten Schaltuhr die Abzugszeit der Wagengarnitur eingibt. Die Schaltuhr berechnet in Abhängigkeit der Außentemperatur den optimalen Einschaltzeitpunkt für den Heizschütz, bzw. taktet den Heizschütz so, dass die Wagen bei Minusgraden nicht einfrieren.

Die Steuerung der Gesamtanlage erfolgt mit einer rechnergestützten Steuerung. In ihr werden die Abläufe des Systems gesteuert, überwacht und dokumentiert. Mittels Modem können die aktuellen Betriebszustände und der Ereignisspeicher jederzeit fernausgelesen und per Programm visualisiert und analysiert werden.